02 Feb,2026
Como os motores hidráulicos industriais se comparam aos motores pneumáticos em termos de desempenho?


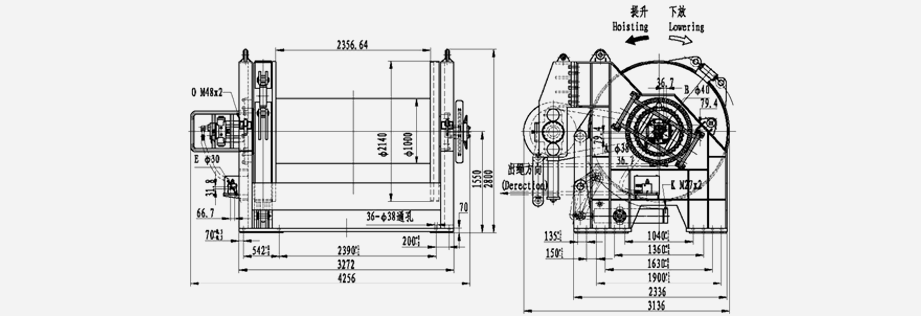
| Classificação completa na 1ª camada (kN) | 1000 |
| Velocidade nominal na 1ª camada (m/min) | 7 |
| Deslocamento total (ml/r) | 131500 |
| Pressão do sistema (MPa) | 35 |
| Diferença. pressão (MPa) | 32 |
| Diâmetro da corda (mm) | 52 |
| Número de camadas de corda | 9 |
| Capacidade do tambor(m) | 1800 |
| Fluxo da bomba (L/min) | 300 |
| Tipo de motor | HL-A4FM500-01 |
| Tipo de caixa de velocidades | IGC550W3-B263 (i=263) |
Os produtos fornecidos por empresas famosas contam com a confiança dos usuários.
Anos de experiência na indústria
Área da Fábrica
Funcionários habilidosos
Linha de produção avançada
INI Hydraulic Co., Ltd. especializou-se na concepção e fabricação de guinchos hidráulicos, motores hidráulicos e caixas de engrenagens planetárias por mais de vinte anos. Nós somos um dos fornecedores profissionais de acessórios de máquinas de construção na Ásia. Personalizar para otimizar os projetos de equipamentos engenhosos dos clientes é nossa maneira de permanecer vivo de forma robusta no mercado. Ao longo de 26 anos, impulsionados pelo compromisso de inovar sempre para satisfazer as necessidades dos clientes, desenvolvemos uma ampla gama de linhas de produtos baseadas em nossas tecnologias autodesenvolvidas. O amplo espectro de produtos, cada um correlacionando intimamente, contém guinchos hidráulicos e elétricos, caixas de engrenagens planetárias, acionamentos giratórios, acionamentos de transmissão, motores hidráulicos, bombas e sistemas hidráulicos.
A confiabilidade de nossos produtos foi fortemente comprovada em diversas aplicações, incluindo, entre outras, máquinas industriais, máquinas de construção, máquinas para navios e convés, equipamentos off-shore, máquinas para mineração e metalurgia.
Além disso, a qualidade do nosso produto foi aprovada por vários organismos de certificação de renome mundial. As certificações que nossos produtos obtiveram incluem Certificado de Exame de Tipo CE, BV MODE, Certificado DNV GL, Atestado de Conformidade CE, Certificado de Aprovação de Tipo para Produtos Marítimos e Garantia de Qualidade do Lloyd's Register. Até agora, além da China, nosso mercado interno, exportamos amplamente nossos produtos para os Estados Unidos, Alemanha, Holanda, Austrália, Rússia, Turquia, Singapura, Japão, Coreia do Sul, Malásia, Vietname, Índia e Irão. Nossos serviços de logística e pós-venda cobrem o mundo inteiro de forma rápida e confiável, atendendo aos interesses profundos de nossos clientes.
02 Feb,2026
26 Jan,2026
19 Jan,2026
12 Jan,2026
05 Jan,2026
29 Dec,2025
22 Dec,2025
TOPO